- Производство трубопроводов и труб из фторопласта.
- Трубы и трубки из фторопласта
- Диафрагма
- Клапан диафрагмовый
- Переходы редукционные
- Переходы в броне
- Тройники разнопроходные
- Тройник равнопроходный
- Отвод
- Крестовина
- Нестандартные
- Трубы В броне (Тип А)
- Трубы в броне с подвижным фланцем (Тип B)
- Трубы без брони (Тип C)
- Сильфоны Тип «W»
- Сильфоны Тип «S»
Данное суперустойчивое вещество отличается очень низким коэффициентом трения, повышенной гибкостью и пластичностью, из-за чего даже попал в книгу рекордов Гиннеса. Еще пару лет назад изделия из Фторопласта-4 применялись только на объектах стратегического назначения. Высокие диэлектрические характеристики в сочетании с превосходной термостойкостью делают этот полимер незаменимы в качестве прокладочного материала. Одна из главных областей его сбыта- изготовление трубопроводов.
Краткая характеристика
Трубопровод из фторопласта – новое достижение научно технического прогресса. Эта труба полностью заменила металлическую предшественницу в тех направлениях, где требуется транспортировка химически активных сред при экстремальных показателях давления и температуры. Фторопластовые детали трубопровода имеют небольшой вес, внешний вид напоминает гибкий тефлоновый рукав, на который наносится в один или два слоя проволочного оплетения.
Сама трубка производится в гладком или гофрированном исполнении. Последнее выполняется с целью увеличения показателя гибкости тефлонового рукава. Затем, для увеличения прочности изделия, на внутреннюю камеру наносится проволочное оплетение. Для поддержания более высокого давления в трубопроводе задействуют двойное оплетение, выполняемое из нержавеющей, стали.
Физические показатели Ед.изм. Характеристика
1 Диапазон рабочей температуры при эксплуатации С Мин -70 Мах +240
2 Внутренний размер (диаметр) мм 4-600
3 Диапазон рабочего давления Атм. 320
4 Длина одной трубы мм 150-3000
Область применения
Фторопластовый трубопровод широко применяют:
- для передачи на расстояние химически агрессивных жидкостей;
- для транспортировки на определенное расстояние особо чистых химических составов;
- для облицовки валов специального технологического оборудования, чтобы не допустить процесса налипания перерабатываемого сырья.
- для гибкой связи в условиях повышенного уровня вибраций и гидроударов рабочей жидкости.
Ищете качественные фторопластовые трубки? Компания КЕДРОН предлагает широкий ассортимент трубок из фторопласта, включая модели Ф-4Д и Ф-4ДМ, соответствующие ГОСТ 22056-76. У нас вы сможете выгодно купить или заказать фторопластовые трубки по оптимальной цене. Наше производство гарантирует высокое качество продукции для различных промышленных нужд. Посетите наш сайт для ознакомления с полным каталогом фторопластовых трубок и выберите подходящие изделия с учетом ваших технических требований.
Производстве Фторопластовых Трубок
Компания КЕДРОН зарекомендовала себя как надежный производитель трубок из фторопласта, предлагая продукцию высочайшего качества. Если вы ищете фторопластовую трубку для вашего проекта или производства, добро пожаловать в КЕДРОН. Мы предлагаем широкий ассортимент фторопластовых трубок, включая трубки Ф-4Д и Ф-4ДМ, соответствующие ГОСТ 22056-76.
Фторопластовые трубки являются отличным выбором благодаря своим уникальным свойствам. Они устойчивы к воздействию агрессивных химических веществ, обладают высокой термостойкостью и отличной механической прочностью. Именно поэтому их часто используют в химической, пищевой, медицинской и других отраслях промышленности.
Преимущества фторопластовых трубок
Купить или заказать фторопластовую трубку у нас — это значит получить гарантию на продукцию, выполненную по самым строгим стандартам. Мы производим трубки фторопластовые Ф-4Д и Ф-4ДМ, которые отвечают требованиям ГОСТ. Благодаря высококачественному сырью и современным производственным технологиям наша продукция обладает необходимыми физическими и химическими свойствами.
Производство фторопластовых трубок в компании КЕДРОН осуществляется с привлечением новейших технологий. Мы строго соблюдаем все этапы изготовления и контроль качества на каждом из них. Это позволяет нам гарантировать надежность и долговечность каждой выпущенной партий трубок.
Фторопластовые трубки от компании КЕДРОН могут быть использованы в самых разных целях. Они подойдут для транспортировки агрессивных химических веществ, в системах отопления и охлаждения, а также в медицинских и исследовательских установках. Благодаря своей универсальности их покупка станет выгодным вложением в ваш бизнес.
Как купить фторопластовые трубки?
Процесс покупки фторопластовых трубок в нашей компании максимально прост и удобен. Вы можете легко заказать нужное количество трубок, связавшись с нашими менеджерами. Мы гарантируем прозрачность ценообразования и предоставляем полную информацию о стоимости на фторопластовые трубки.
Цена фторопластовых трубок зависит от их размеров, технических характеристик и объемов заказа. Для постоянных клиентов у нас предусмотрена система скидок. Свяжитесь с нами, чтобы получить подробную консультацию по продукции и процессу заказа. Наши специалисты помогут выбрать оптимальные характеристики трубок под ваши нужды.
Обратившись в КЕДРОН, вы можете быть уверены, что приобретаете трубы фторопластовые высочайшего качества с гарантиями производителя. Мы ценим доверие клиентов и всегда стремимся обеспечить максимальный уровень сервисного обслуживания. Выбирая нашу компанию, вы получаете надежного партнера для реализации успешных проектов.
Компания КЕДРОН ждет ваших запросов и всегда готова предложить оптимальные решения для вашего бизнеса. Не упустите возможность купить фторопластовые трубки по конкурентоспособной цене, гарантируя надежность и долговечность работы ваших систем. Добро пожаловать в мир качественных решений с КЕДРОН!
Предназначена для использования в диафрагмовых клапанах моделей 15ч74п, 15ч75п, 15ч76п (ГОСТ 24095-80).
Обеспечивает герметичность в затворе и изоляцию внутри полости клапана от рабочей среды, может эксплуатироваться в любых средах за исключением расплавленных щелочных металлов, трехфтористого хлора и элементарного фтора.
Диафрагмы из фторопласта-4 выпускаются с исполнительными размерами по ГОСТ 11942-80.
Таблица соответствия D диафрагмы — Dy клапана
| Dy, мм | ØD, мм |
|---|---|
| 25 | 85 |
| 32 | 96 |
| 40 | 114 |
| 50 | 132 |
| 65 | 140 |
| 80 | 160 |
| 100 | 200 |

Вентили (клапаны) диафрагмовые
Клапаны запорные диафрагмовые применяются на трубопроводах для работы с различными агрессивными средами за исключением расплавов щелочных металлов, трехфтористого хлора и элементарного фтора.
Внутренняя поверхность корпуса клапана и уплотнительные поверхности присоединительных фланцев футеруются фторопластом-42 ЛД или полиэтиленом, Ф-2М, стойкими к воздействию агрессивных сред.
Между уплотнительными поверхностями корпуса и крышки зажата фторопластовая диафрагма — основной рабочий орган, приводимый в движение вверх и вниз вращением маховика.
На случай прорыва диафрагмы устанавливается дублирующий сальник из химически нестойкой резины. Для предохранения диафрагмы от разрыва под действием внутреннего давления и для равномерного прижатия ее к уплотнительным поверхностям корпуса между диафрагмой и крестовиной имеется резиновая мембрана или телескопическая опора, состоящая из набора колец.
На корпусе каждого клапана проставлена маркировка с указанием условного давления Ру (кгс/см2) и условного прохода в Dу (мм).
| Давление, Ру (зависит от Dу) | 0...16 кгс/см2 |
| Температура среды, t°C | -15...+125°С |
По заявке потребителя могут быть поставлены диафрагмы для клапанов указанных Dу для их замены в процессе эксплуатации.

1 - корпус, 2 - крышка, 3 - мембрана с винтом, 4 - крестовина, 5 - шпиндель, 6 - втулка, 7 - маховик, 8 - накидная гайка.
| Модель | Dy, мм | L, мм | Hmax, мм | B, мм | b, мм | D, мм | D1, мм | d, мм | h, мм | Do, мм | Масса, кг |
|---|---|---|---|---|---|---|---|---|---|---|---|
| 15ч74п1(2)м | 15 | 130 | 105 | 75 | 15 | 38 | 65 | 14 | 5 | 100 | 3,2 |
| 15ч75п1(2)м | 25 | 160 | 140 | 90 | 18 | 53 | 85 | 14 | 11 | 120 | 6,3 |
| 15ч75п1(2)м | 32 | 180 | 145 | 105 | 20 | 62 | 100 | 18 | 12 | 120 | 8,5 |
| 15ч75п1(2)м | 50 | 230 | 210 | 125 | 22 | 86 | 125 | 18 | 22 | 160 | 14,5 |
| 15ч76п1(2)м | 80 | 310 | 280 | 140 | 22 | 125 | 150 | 18 | 42 | 240 | 35,0 |
| 15ч76п1(2)м | 100 | 350 | 310 | 155 | 22 | 145 | 170 | 18 | 54 | 280 | 38,0 |
Материал футеровки, давление, температура
| Обозначение клапанов | Диаметр условного прохода | Условное давление Ру, кгс/см2 | Материал | Температура, среды, °С | |
|---|---|---|---|---|---|
| футеровки корпуса | диафрагмы | ||||
| 15ч74п1м | 15 | 16 | полиэтилен | фторопласт- 4 | -15...+60 |
| 15ч75п1м | 25, 32, 50 | 10 | |||
| 15ч76п1м | 80, 100 | 6,3 | |||
| 15ч74п2м | 15 | 16 | фторопласт-42-ЛД | фторопласт- 4 | -15...+125 |
| 15ч75п2м | 25, 32, 50 | 10 | |||
| 15ч76п2м | 80, 100 | 6,3 | |||
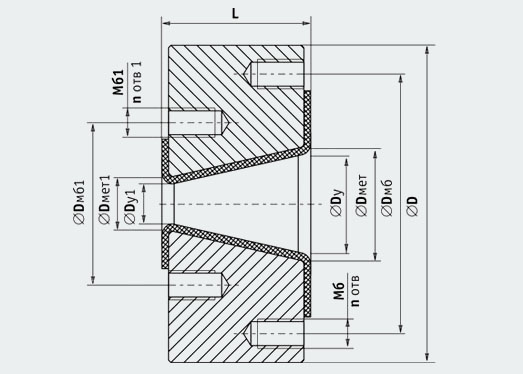
Переходы редукционные футерованные фторопластом Ф-4 применяются в трубопроводах, служат для соединения элементов трубопровода с разными условными диаметрами, причем разница между диаметрами не имеет значения - это основное их преимущество. Также данные переходы обладают малым габаритным размером L по сравнению с обычными концентрическими переходами. Параметры переходов приведены в таблице ниже.
| Температура среды, °С | Давление, МПа (кгс/см2) |
|---|---|
| -200...+260 | 0,5 (5) |

| Условный проход по Ф-4, Dy/Dy1, мм | Условный проход по металлу, Dмет/Dмет1, мм | L, мм | Присоединительные размеры фланцев | ||||
|---|---|---|---|---|---|---|---|
| D | Dмб/Dмб1 | Мб/Мб1 | nотв | nотв1 | |||
| 60/25 | 70/35 | 60 | 195 | 160/100 | М16/М16 | 4 | 4 |
| 100/32 | 110/42 | 60 | 250 | 210/110 | М16/М16 | 4 | 8 |
| 100/40 | 110/50 | 60 | 250 | 210/125 | М16/М16 | 4 | 8 |
| 120/40 | 130/50 | 60 | 285 | 240/125 | М20/М16 | 4 | 8 |
| 120/50 | 130/60 | 60 | 285 | 240/145 | М20/М16 | 4 | 8 |
| 160/50 | 170/60 | 60 | 340 | 295/145 | М20/М16 | 4 | 12 |
| 220/50 | 230/60 | 60 | 405 | 355/145 | М24/М16 | 4 | 12 |
| 260/50 | 270/60 | 60 | 460 | 400/145 | М24/М16 | 4 | 12 |
| 160/60 | 170/70 | 60 | 340 | 295/195 | М20/М16 | 4 | 12 |
| 220/60 | 230/70 | 60 | 405 | 355/195 | М24/М16 | 4 | 12 |
| 260/60 | 270/70 | 60 | 460 | 400/195 | М24/М16 | 4 | 12 |
| 160/80 | 170/90 | 60 | 340 | 295/215 | М20/М16 | 8 | 12 |
| 220/80 | 230/90 | 60 | 405 | 355/215 | М24/М16 | 8 | 12 |
| 260/80 | 270/90 | 60 | 460 | 400/215 | М24/М16 | 8 | 12 |
| 160/100 | 170/110 | 60 | 340 | 295/250 | М20/М16 | 8 | 12 |
| 220/100 | 230/110 | 60 | 405 | 355/250 | М24/М16 | 8 | 12 |
| 260/100 | 270/110 | 60 | 460 | 400/250 | М24/М16 | 8 | 12 |
| 260/120 | 270/130 | 60 | 460 | 400/285 | М24/М20 | 8 | 12 |
Фасонные части трубопроводов футерованные фторопластом-4 предназначены для транспортировки агрессивных жидкостей и газов, за исключением расплавленных щелочных металлов, трехфтористого хлора и элементарного фтора.
Изготовление и условия эксплуатации футеровки по ТУ 6-05-1876-79 и ТУ 6-05-987-79.
Присоединительные размеры фланцев на Ру=1,0 МПа (10 кгс/см2) по ГОСТ 12815-80.
Переходы, футерованные фторопластом-4, являются неотъемлемой частью трубопровода и служат соединительными элементами в узлах стыковки и развязки трубопровода.

| Тип | Температура среды, °С | Давление, МПа (кгс/см2) |
|---|---|---|
| Переход | -60...+200 | 0...0,5 (5) |

Переход
| dy | Dy | d1 | D1 | d2 | D2 | d3 | D3 | n | N | d | D |
|---|---|---|---|---|---|---|---|---|---|---|---|
| 50 | 60 | 122 | 133 | 145 | 160 | 18+0,7 | 18+0,7 | 4 | 4 | 180 | 195 |
| 50 | 80 | 122 | 158 | 145 | 180 | 18+0,7 | 18+0,7 | 4 | 8 | 180 | 215 |
| 50 | 100 | 122 | 184 | 145 | 210 | 18+0,7 | 18+0,7 | 4 | 8 | 180 | 245 |
| 50 | 120 | 122 | 212 | 145 | 240 | 18+0,7 | 22+0,8 | 4 | 8 | 180 | 280 |
| 50 | 160 | 122 | 268 | 145 | 295 | 18+0,7 | 22+0,8 | 4 | 8 | 180 | 335 |
| 50 | 220 | 122 | 320 | 145 | 350 | 22+0,8 | 22+0,8 | 4 | 12 | 180 | 390 |
| 50 | 260 | 122 | 370 | 145 | 400 | 18+0,7 | 22+0,8 | 4 | 12 | 180 | 440 |
| 60 | 80 | 133 | 158 | 160 | 180 | 18+0,7 | 18+0,7 | 4 | 8 | 195 | 215 |
| 60 | 100 | 133 | 184 | 160 | 210 | 18+0,7 | 18+0,7 | 4 | 8 | 195 | 245 |
| 60 | 120 | 133 | 212 | 160 | 240 | 18+0,7 | 22+0,8 | 4 | 8 | 195 | 280 |
| 60 | 160 | 133 | 268 | 160 | 295 | 18+0,7 | 22+0,8 | 4 | 8 | 195 | 335 |
| 60 | 220 | 133 | 320 | 160 | 350 | 18+0,7 | 22+0,8 | 4 | 12 | 195 | 390 |
| 60 | 260 | 133 | 370 | 160 | 400 | 18+0,7 | 22+0,8 | 4 | 12 | 195 | 440 |
| 80 | 100 | 158 | 184 | 180 | 210 | 18+0,7 | 18+0,7 | 8 | 8 | 215 | 245 |
| 80 | 120 | 158 | 212 | 180 | 240 | 18+0,7 | 22+0,8 | 8 | 8 | 215 | 280 |
| 80 | 160 | 158 | 268 | 180 | 295 | 18+0,7 | 22+0,8 | 8 | 8 | 215 | 335 |
| 80 | 220 | 158 | 320 | 180 | 350 | 18+0,7 | 22+0,8 | 8 | 12 | 215 | 390 |
| 80 | 260 | 158 | 370 | 180 | 400 | 18+0,7 | 22+0,8 | 8 | 12 | 215 | 440 |
| 100 | 120 | 184 | 212 | 210 | 240 | 18+0,7 | 22+0,8 | 8 | 8 | 245 | 280 |
| 100 | 160 | 184 | 268 | 210 | 295 | 18+0,7 | 22+0,8 | 8 | 8 | 245 | 335 |
| 100 | 220 | 184 | 320 | 210 | 350 | 18+0,7 | 22+0,8 | 8 | 12 | 245 | 390 |
| 100 | 260 | 184 | 370 | 210 | 400 | 18+0,7 | 22+0,8 | 8 | 12 | 245 | 440 |
| 120 | 160 | 212 | 268 | 240 | 295 | 22+0,8 | 22+0,8 | 8 | 8 | 280 | 335 |
| 120 | 220 | 212 | 320 | 240 | 350 | 22+0,8 | 22+0,8 | 8 | 12 | 280 | 390 |
| 120 | 260 | 212 | 370 | 240 | 400 | 22+0,8 | 22+0,8 | 8 | 12 | 280 | 440 |
| 160 | 220 | 212 | 320 | 295 | 350 | 22+0,8 | 22+0,8 | 8 | 12 | 335 | 390 |
| 160 | 260 | 212 | 370 | 295 | 400 | 22+0,8 | 22+0,8 | 8 | 12 | 335 | 440 |
| 220 | 260 | 320 | 370 | 350 | 400 | 22+0,8 | 22+0,8 | 12 | 12 | 390 | 440 |
Тройники разнопроходные футерованные
Тройники футерованные фторопластом-4 предназначены для транспортировки агрессивных и особо чистых сред за исключением расплавленных щелочных металлов, трехфтористого хлора и элементарного фтора.
Данные тройники применяются для развязки трубопроводов различных диаметров. Основное преимущество - два в одном: тройник и переход, в сочетании с минимальными габаритными размерами.
Есть возможность изготовления труб со встроенными боковыми патрубками. Длина трубы может достигать двух метров, главное соблюдать соотношение диаметров Dy и Dy1. Примеры в таблице.
Изготовление и условия эксплуатации футеровки по ТУ 6-05-1876-79 и ТУ6-05-987-79.
Присоединительные размеры фланцев на Ру=1,0мПа (10 кгс/см2) по ГОСТ 12815-80.

| Условный проход по Ф-4, Dy/Dy1/Dy, мм | Условный проход по металлу, Dмет/Dмет1/Dмет, мм | Dотб/Dотб1, мм | L, мм | L1, мм | Присоединительные размеры фланцев | Крепеж | ||||||||
|---|---|---|---|---|---|---|---|---|---|---|---|---|---|---|
| Dфл/D1фл | Dмб/Dмб1 | h | H1 | d | d1 | nотв | болт | nотв1 | болт1 | |||||
| 120/25/120 | 150/32/150 | 159/38 | 250 | 176 | 285/140 | 240/100 | 20 | 18 | 23 | 18 | 8 | M20 | 4 | M16 |
| 160/25/160 | 200/32/200 | 219/38 | 250 | 206 | 340/140 | 295/100 | 23 | 18 | 23 | 18 | 12 | M20 | 4 | M16 |
| 160/32/160 | 200/40/200 | 219/47 | 250 | 207 | 340/150 | 295/110 | 23 | 18 | 23 | 18 | 12 | M20 | 4 | M16 |
| 160/40/160 | 200/50/200 | 219/57 | 250 | 206 | 340/165 | 295/125 | 23 | 18 | 23 | 18 | 12 | M20 | 4 | M16 |
| 220/25/220 | 250/32/250 | 273/38 | 250 | 233 | 405/140 | 355/100 | 25 | 18 | 27 | 18 | 12 | M24 | 4 | M16 |
| 220/32/220 | 250/40/250 | 273/47 | 250 | 234 | 405/150 | 355/110 | 25 | 18 | 27 | 18 | 12 | M24 | 4 | M16 |
| 220/40/220 | 250/50/250 | 273/57 | 250 | 233 | 405/165 | 355/125 | 25 | 18 | 27 | 18 | 12 | M24 | 4 | M16 |
| 220/50/220 | 250/60/250 | 273/76 | 250 | 234 | 405/185 | 355/145 | 25 | 18 | 27 | 18 | 12 | M24 | 4 | M16 |
| 220/60/220 | 250/80/250 | 273/89 | 250 | 235 | 405/195 | 355/160 | 25 | 18 | 27 | 18 | 12 | M24 | 4 | M16 |
| 260/25/260 | 300/32/300 | 325/38 | 250 | 259 | 460/140 | 400/100 | 25 | 18 | 27 | 18 | 12 | M24 | 4 | M16 |
| 260/32/260 | 300/40/300 | 325/47 | 250 | 260 | 460/150 | 400/110 | 25 | 18 | 27 | 18 | 12 | M24 | 4 | M16 |
| 260/40/260 | 300/50/300 | 325/57 | 250 | 260 | 460/165 | 400/125 | 25 | 18 | 27 | 18 | 12 | M24 | 4 | M16 |
| 260/50/260 | 300/60/300 | 325/76 | 250 | 260 | 460/185 | 400/145 | 25 | 18 | 27 | 18 | 12 | M24 | 4 | M16 |
| 260/60/260 | 300/80/300 | 325/89 | 250 | 261 | 460/195 | 400/160 | 25 | 18 | 27 | 18 | 12 | M24 | 4 | M16 |
| 260/80/260 | 300/100/300 | 325/108 | 250 | 261 | 460/215 | 400/180 | 25 | 18 | 27 | 18 | 12 | M24 | 8 | M16 |
Фасонные части трубопроводов футерованные фторопластом-4 предназначены для транспортировки агрессивных жидкостей и газов, за исключением расплавленных щелочных металлов, трехфтористого хлора и элементарного фтора.
Изготовление и условия эксплуатации футеровки по ТУ 6-05-1876-79 и ТУ 6-05-987-79.
Присоединительные размеры фланцев на Ру=1,0 МПа (10 кгс/см2) по ГОСТ 12815-80.
Тройники, футерованные фторопластом-4, являются неотъемлемой частью трубопровода и служат соединительными элементами в узлах стыковки и развязки трубопровода.

| Тип | Температура среды, °С | Давление, МПа (кгс/см2) |
|---|---|---|
| Тройник | -60...+200 | 0...0,5 (5) |

Тройник
| dy, мм | d1, мм | d2, мм | D, мм | d3, мм | n, шт | S, мм | L, мм | h, мм | m, кг |
|---|---|---|---|---|---|---|---|---|---|
| 25 | 65 | 100 | 135 | 18 | 4 | 3,0 | 87 | 15 | 8,0 |
| 40 | 102 | 125 | 160 | 18 | 4 | 3,0 | 107 | 15 | 8,4 |
| 55 | 122 | 145 | 180 | 18 | 4 | 4,0 | 121 | 17 | 11,7 |
| 60 | 133 | 160 | 195 | 18 | 4 | 5,0 | 130 | 17 | 14,3 |
| 80 | 158 | 180 | 215 | 18 | 4 | 5,0 | 143 | 19 | 18,2 |
| 100 | 184 | 210 | 245 | 18 | 8 | 4,6 | 159 | 21 | 24,4 |
| 120 | 212 | 240 | 280 | 22 | 8 | 5,0 | 179 | 21 | 33,3 |
| 160 | 268 | 295 | 335 | 22 | 8 | 6,5 | 205 | 21 | 52,7 |
| 220 | 320 | 350 | 390 | 22 | 12 | 7,0 | 236 | 23 | 76,3 |
| 260 | 370 | 400 | 440 | 22 | 12 | 7,0 | 263 | 24 | 105,2 |
Фасонные части трубопроводов футерованные фторопластом-4 предназначены для транспортировки агрессивных жидкостей и газов, за исключением расплавленных щелочных металлов, трехфтористого хлора и элементарного фтора.
Изготовление и условия эксплуатации футеровки по ТУ 6-05-1876-79 и ТУ 6-05-987-79.
Присоединительные размеры фланцев на Ру=1,0 МПа (10 кгс/см2) по ГОСТ 12815-80.
Отводы, футерованные фторопластом-4, являются неотъемлемой частью трубопровода и служат соединительными элементами в узлах стыковки и развязки трубопровода.

| Тип | Температура среды, °С | Давление, МПа (кгс/см2) |
|---|---|---|
| Отвод | -60...+200 | 0...0,5 (5) |

Отвод
| dy, мм | d1, мм | d2, мм | D, мм | d3, мм | n, шт | S, мм | L, мм | h, мм | m, кг |
|---|---|---|---|---|---|---|---|---|---|
| 25 | 78 | 100 | 135 | 18 | 4 | 2,5 | 115 | 14 | 4,5 |
| 40 | 102 | 125 | 160 | 18 | 4 | 3,0 | 91 | 15 | 5,5 |
| 55 | 122 | 145 | 180 | 18 | 4 | 4,0 | 117 | 17 | 7,0 |
| 60 | 133 | 165 | 195 | 18 | 4 | 5,0 | 138 | 17 | 8,4 |
| 80 | 158 | 180 | 215 | 18 | 8 | 5,0 | 169 | 19 | 12,5 |
| 100 | 184 | 210 | 245 | 18 | 8 | 4,6 | 209 | 21 | 17,3 |
| 120 | 212 | 240 | 280 | 22 | 8 | 5,0 | 246 | 21 | 24,0 |
| 160 | 268 | 295 | 335 | 22 | 8 | 6,5 | 323 | 21 | 41,7 |
| 220 | 320 | 350 | 390 | 22 | 12 | 7,0 | 400 | 23 | 68,3 |
| 260 | 370 | 400 | 440 | 22 | 12 | 7,0 | 476 | 24 | 96,2 |
Фасонные части трубопроводов футерованные фторопластом-4 предназначены для транспортировки агрессивных жидкостей и газов, за исключением расплавленных щелочных металлов, трехфтористого хлора и элементарного фтора.
Изготовление и условия эксплуатации футеровки по ТУ 6-05-1876-79 и ТУ 6-05-987-79.
Присоединительные размеры фланцев на Ру=1,0 МПа (10 кгс/см2) по ГОСТ 12815-80.
Крестовины, футерованные фторопластом-4, являются неотъемлемой частью трубопровода и служат соединительными элементами в узлах стыковки и развязки трубопровода.

| Тип | Температура среды, °С | Давление, МПа (кгс/см2) |
|---|---|---|
| Крестовина | -60...+200 | 0...0,5 (5) |

Крестовина
| dy, мм | d1, мм | d2, мм | D, мм | d3, мм | n, шт | S, мм | L, мм | h, мм | m, кг |
|---|---|---|---|---|---|---|---|---|---|
| 25 | 78 | 100 | 135 | 18 | 4 | 2,5 | 14 | - | |
| 40 | 102 | 125 | 160 | 18 | 4 | 3,0 | 107 | 15 | - |
| 55 | 122 | 145 | 180 | 18 | 4 | 4,0 | 121 | 17 | 14,9 |
| 60 | 133 | 165 | 195 | 18 | 4 | 5,0 | 130 | 17 | 18,7 |
| 80 | 158 | 180 | 215 | 18 | 8 | 5,0 | 143 | 19 | 24,1 |
| 100 | 184 | 210 | 245 | 18 | 8 | 4,6 | 159 | 21 | 32,2 |
| 120 | 212 | 240 | 280 | 22 | 8 | 5,0 | 179 | 21 | 42,3 |
| 160 | 268 | 295 | 335 | 22 | 8 | 6,5 | 205 | 21 | 60,8 |
| 220 | 320 | 350 | 390 | 22 | 12 | 7,0 | 236 | 23 | 91,8 |
| 260 | 370 | 400 | 440 | 22 | 12 | 7,0 | 263 | 24 | 122,1 |
Отводы, тройники и крестовины изготавливаются из Ф-4 путем механической обработки. Служат соединительными элементами в узлах стыковки и развязки трубопроводов малого диаметра.
Стыковка с трубопроводом может осуществляться с помощью накидных фланцев или штуцерного соединения, также могут быть разработаны индивидуальные присоединительные элементы.
Тройник (фланцевое соединение)

Крестовина (штуцерное соединение)

Корпус фасонных частей изготавливается целиком из фторопласта, что позволяет:
- обеспечить стойкость к любым агрессивным средам как изнутри так и снаружи (погружные элементы);
- получить малые габаритные размеры для облегчения установки и размещения элемента на месте.
| Рабочая температура, °С | -60...+200 |
| Давление, МПа (кгс/см 2) | 0...0,5 (5) |
Сферы применения:
- гидросистемы,
- пневмосистемы,
- обвязка аппаратуры.
Фасонные части могут быть изготовлены по Вашим чертежам или эскизам.
Размеры для изделий со штуцерным соединением
| dу | 2 | 3 | 4 | 5 | 6 | 8 | 10 |
|---|---|---|---|---|---|---|---|
| L | Для всех dу размер L равен 15...30 мм | ||||||
Размеры для изделий с фланцевым соединением
| dу | 10 | 15 | 20 | 25 | 32 | 40 | 50 |
|---|---|---|---|---|---|---|---|
| d1 | 22 | 32 | 42 | 54 | 62 | 76 | 88 |
| L | 50 | 58 | 62 | 68 | 80 | 85 | 92 |

Трубопроводы футерованные фторопластом-4 предназначены для транспортировки агрессивных жидкостей и газов за исключением расплавов щелочных металлов, трехфтористого хлора и элементарного фтора.
Присоединение в трубопровод происходит за счет фланцевого соединения. При применении труб в металлической броне для удобства сборки линии мы можем предложить секции трубопровода с одним подвижным фланцем (модель В, С).
Трубы выпускаются защищенными в броне из черной или нержавеющей стали (модели А, В) и без брони (модель С).
Рекомендуем применять трубы моделей А и B, т. к. они обеспечивают наибольшую безопасность при транспортировке агрессивных сред.
При эксплуатации труб модели С недопустимы механические повреждения открытой поверхности фторопластовой трубы. При сборке трубопровода получается менее жесткая конструкция, что требует определенных условий монтажа трубопровода.
Изготовление и условия эксплуатации футеровки по ТУ 6-05-1876 и ТУ 6-05-987-79. Присоединительные размеры фланцев приняты на Pу=1,0 МПа (10 кгс/см2) по ГОСТ 12815-80.

L - длина секции трубопровода.
m - масса секции трубопровода моделей А, В, при L=2000 мм.
По заявке возможно изготовление секций других размеров.
Температура среды, °С: -60...+200
Давление, МПа (кг/см2): 0.5 (5)
| dy | d1 | d2 | d |
|---|---|---|---|
| 25 | 78 | 100 | 135 |
| 40 | 102 | 125 | 160 |
| 50 | 122 | 145 | 180 |
| 60 | 133 | 160 | 195 |
| 80 | 158 | 180 | 215 |
| 100 | 184 | 210 | 245 |
| 120 | 212 | 240 | 280 |
| 160 | 268 | 295 | 335 |
| 220 | 320 | 350 | 390 |
| 260 | 370 | 400 | 440 |
| 300 | 430 | 460 | 500 |
| 400 | 532 | 565 | 565 |
Трубопроводы футерованные фторопластом-4 предназначены для транспортировки агрессивных жидкостей и газов за исключением расплавов щелочных металлов, трехфтористого хлора и элементарного фтора.
Присоединение в трубопровод происходит за счет фланцевого соединения. При применении труб в металлической броне для удобства сборки линии мы можем предложить секции трубопровода с одним подвижным фланцем (модель В, С).
Трубы выпускаются защищенными в броне из черной или нержавеющей стали (модели А, В) и без брони (модель С).
Рекомендуем применять трубы моделей А и B, т. к. они обеспечивают наибольшую безопасность при транспортировке агрессивных сред.
При эксплуатации труб модели С недопустимы механические повреждения открытой поверхности фторопластовой трубы. При сборке трубопровода получается менее жесткая конструкция, что требует определенных условий монтажа трубопровода.
Изготовление и условия эксплуатации футеровки по ТУ 6-05-1876 и ТУ 6-05-987-79. Присоединительные размеры фланцев приняты на Pу=1,0 МПа (10 кгс/см2) по ГОСТ 12815-80.

L - длина секции трубопровода.
m - масса секции трубопровода моделей А, В, при L=2000 мм.
Стандартные длины 500, 1000, 1500, 2000 мм.
По заявке возможно изготовление секций других размеров.
| Тип | Температура среды, °С | Давление, МПа (кг/см2) |
|---|---|---|
| А, B, C | -60...+200 | 0.5 (5) |

| dy | d1 | d2 | d | d3 | n | S | h | m |
|---|---|---|---|---|---|---|---|---|
| 25 | 78 | 100 | 135 | 18 | 4 | 2,5 | 14 | 8,2 |
| 40 | 102 | 125 | 160 | 18 | 4 | 3,0 | 15 | 14,2 |
| 50 | 122 | 145 | 180 | 18 | 4 | 4,0 | 17 | 19,8 |
| 60 | 133 | 160 | 195 | 18 | 4 | 5,0 | 17 | 26,2 |
| 80 | 158 | 180 | 215 | 18 | 8 | 5,0 | 19 | 34,8 |
| 100 | 184 | 210 | 245 | 18 | 8 | 4,6 | 21 | 43,6 |
| 120 | 212 | 240 | 280 | 22 | 8 | 5,0 | 21 | 57,7 |
| 160 | 268 | 295 | 335 | 22 | 8 | 6,5 | 21 | 96,5 |
| 220 | 320 | 350 | 390 | 22 | 12 | 7,0 | 23 | 136,0 |
| 260 | 370 | 400 | 440 | 22 | 12 | 7,0 | 24 | 178,6 |
| 300 | 430 | 460 | 500 | 24 | 12 | 12,0 | 24 | 268,0 |
| 400 | 532 | 565 | 565 | 24 | 12 | 15,0 | 24 | 386,0 |
Трубопроводы футерованные фторопластом-4 предназначены для транспортировки агрессивных жидкостей и газов за исключением расплавов щелочных металлов, трехфтористого хлора и элементарного фтора.
Присоединение в трубопровод происходит за счет фланцевого соединения. При применении труб в металлической броне для удобства сборки линии мы можем предложить секции трубопровода с одним подвижным фланцем (модель В, С).
Трубы выпускаются защищенными в броне из черной или нержавеющей стали (модели А, В) и без брони (модель С).
Рекомендуем применять трубы моделей А и B, т. к. они обеспечивают наибольшую безопасность при транспортировке агрессивных сред.
При эксплуатации труб модели С недопустимы механические повреждения открытой поверхности фторопластовой трубы. При сборке трубопровода получается менее жесткая конструкция, что требует определенных условий монтажа трубопровода.
Изготовление и условия эксплуатации футеровки по ТУ 6-05-1876 и ТУ 6-05-987-79. Присоединительные размеры фланцев приняты на Pу=1,0 МПа (10 кгс/см2) по ГОСТ 12815-80.

L - длина секции трубопровода.
m - масса секции трубопровода моделей А, В, при L=2000 мм.
Стандартные длины 500, 1000, 1500, 2000 мм.
По заявке возможно изготовление секций других размеров.
| Тип | Температура среды, °С | Давление, МПа (кг/см2) |
|---|---|---|
| А, B, C | -60...+200 | 0.5 (5) |

| dy | d1 | d2 | d | d3 | n | S | h | m |
|---|---|---|---|---|---|---|---|---|
| 25 | 78 | 100 | 135 | 18 | 4 | 2,5 | 14 | 8,2 |
| 40 | 102 | 125 | 160 | 18 | 4 | 3,0 | 15 | 14,2 |
| 50 | 122 | 145 | 180 | 18 | 4 | 4,0 | 17 | 19,8 |
| 60 | 133 | 160 | 195 | 18 | 4 | 5,0 | 17 | 26,2 |
| 80 | 158 | 180 | 215 | 18 | 8 | 5,0 | 19 | 34,8 |
| 100 | 184 | 210 | 245 | 18 | 8 | 4,6 | 21 | 43,6 |
| 120 | 212 | 240 | 280 | 22 | 8 | 5,0 | 21 | 57,7 |
| 160 | 268 | 295 | 335 | 22 | 8 | 6,5 | 21 | 96,5 |
| 220 | 320 | 350 | 390 | 22 | 12 | 7,0 | 23 | 136,0 |
| 260 | 370 | 400 | 440 | 22 | 12 | 7,0 | 24 | 178,6 |
| 300 | 430 | 460 | 500 | 24 | 12 | 12,0 | 24 | 268,0 |
| 400 | 532 | 565 | 565 | 24 | 12 | 15,0 | 24 | 386,0 |
Сильфоны из фторопласта-4 или композиций на основе Ф-4, предназначены для использования в системах трубопроводов и аппаратах в качестве компенсационных элементов. Сильфоны могут работать в контакте с агрессивными средами, за исключением расплавленных щелочных металлов, трехфтористого хлора и элементарного фтора. Сильфоны служат для компенсации вибраций, теплового расширения, осевого и углового смещения элементов оборудования и трубопроводов.
| Обозначение | «Р» |
|---|---|
| Профиль упругого элемента (гофры) | ![]() |
| Характеристики |
|
| Давление, МПа (кгс/см2) | 0,05...0,2 (0,5...2,0) |
| Температура среды, °С | -120...+200 |
| Размеры Dу, мм | 15...500 |
| Сферы применения |
|
Сильфоны модели «Р» изготавливаются методом механической обработки.
Они предназначены для работы в условиях низкого давления. Главной особенностью данной модели сильфонов является V–образная форма гофр. Такая форма обуславливает оптимальное соотношение между способностью расширения (Lp) и длиной установки (Ly), а также придает конструкции высокую эластичность и гибкость.
Геометрические показатели данного типа сильфонов позволяют компенсировать максимальные величины осевого перемещения.
При длительном использовании повышается уровень прочности упругого элемента конструкции.
Ниже приведена таблица основных параметров, по которой вы можете выбрать интересующий вас размер сильфона.
Ограничения по использованию:
| Давление, МПа (кгс/см2) | 0,05...0,2 (0,5...2,0) |
| Температура среды, °С | -120...+200 |

- Число сгибов: n=(Ly-2*c)/y
- Длина установки: Ly=2*c+n*y
- Длина сжатия: Lc=2*c+n*x
- Длина растяжения: Lp=2*c+n*z
| Размеры сильфонов | Размеры сгиба | Стандартные размеры на фланец Ру 6 кгс/см2 | Стандартные размеры на фланец Ру 10 кгс/см2 | |||||||||||||||
|---|---|---|---|---|---|---|---|---|---|---|---|---|---|---|---|---|---|---|
| Dy | d1 | K | с | 2 | 3 | 4 | D | d2 | b | I | m | A | D | d2 | b | I | m | A |
| 10 | 16 | 16 | 5,5 | 0,9 | 2,0 | 3 | 75 | 50 | 7 | 9,0 | M8 | 4 | 90 | 60 | 7 | 9,0 | M8 | 4 |
| 15 | 25 | 25 | 5,5 | 0,9 | 2,0 | 3 | 80 | 55 | 7 | 9,0 | M8 | 4 | 95 | 65 | 7 | 9,0 | M8 | 4 |
| 20 | 35 | 35 | 7,5 | 1,1 | 2,5 | 4 | 90 | 65 | 8 | 9,0 | M8 | 4 | 105 | 75 | 8 | 9,0 | M8 | 4 |
| 25 | 40 | 40 | 7,5 | 1,1 | 2,5 | 4 | 100 | 75 | 8 | 9,0 | M8 | 4 | 115 | 85 | 8 | 9,0 | M8 | 4 |
| 32 | 52 | 52 | 8,5 | 1,1 | 3,7 | 5 | 120 | 90 | 10 | 9,0 | M8 | 4 | 140 | 100 | 10 | 9,0 | M8 | 4 |
| 40 | 60 | 65 | 8,5 | 1,1 | 4,0 | 6 | 130 | 100 | 10 | 11,5 | M10 | 4 | 150 | 110 | 10 | 11,5 | M12 | 4 |
| 50 | 70 | 75 | 8,5 | 1,1 | 4,0 | 6 | 140 | 110 | 10 | 11,5 | M10 | 4 | 165 | 125 | 10 | 11,5 | M12 | 4 |
| 65 | 85 | 95 | 9,5 | 1,1 | 5,0 | 8 | 160 | 130 | 12 | 11,5 | M10 | 4 | 185 | 145 | 12 | 11,5 | M12 | 4 |
| 80 | 110 | 120 | 11,0 | 1,6 | 6,5 | 10 | 190 | 150 | 13 | 11,5 | M10 | 4 | 200 | 160 | 13 | 11,5 | M12 | 4 |
| 100 | 130 | 140 | 11,0 | 1,6 | 6,5 | 10 | 210 | 170 | 13 | 11,5 | M10 | 4 | 220 | 180 | 13 | 11,5 | M12 | 4 |
| 125 | 155 | 165 | 11,0 | 1,6 | 6,5 | 10 | 240 | 200 | 13 | 11,5 | M10 | 8 | 250 | 210 | 13 | 11,5 | M12 | 8 |
| 150 | 180 | 190 | 11,0 | 2,2 | 6,5 | 10 | 265 | 225 | 13 | 11,5 | M10 | 8 | 285 | 240 | 13 | 11,5 | M12 | 8 |
| 200 | 240 | 250 | 12,5 | 2,2 | 8,5 | 13 | 320 | 280 | 15 | 14,0 | M12 | 8 | 340 | 295 | 15 | 14,0 | M16 | 8 |
| 250 | 290 | 300 | 12,5 | 2,7 | 8,5 | 13 | 375 | 335 | 15 | 14,0 | M12 | 12 | 395 | 350 | 15 | 14,0 | M16 | 12 |
| 300 | 350 | 360 | 13,5 | 3,2 | 10,0 | 15 | 440 | 395 | 16 | 14,0 | M12 | 12 | 445 | 400 | 16 | 14,0 | M16 | 12 |
| 350 | 400 | 310 | 13,5 | 3,8 | 10,0 | 15 | 490 | 445 | 16 | 14,0 | M12 | 12 | 505 | 460 | 16 | 14,0 | M16 | 12 |
| 400 | 460 | 470 | 14,0 | 4,3 | 13,0 | 15 | 540 | 495 | 16 | 14,0 | M12 | 16 | 565 | 515 | 16 | 14,0 | M16 | 16 |
| 500 | 560 | 570 | 14,0 | 5,3 | 13,0 | 15 | 645 | 600 | 18 | 14,0 | M12 | 20 | 670 | 620 | 16 | 14,0 | M16 | 20 |
Сильфоны из фторопласта-4 или композиций на основе Ф-4, предназначены для использования в системах трубопроводов и аппаратах в качестве компенсационных элементов. Сильфоны могут работать в контакте с агрессивными средами, за исключением расплавленных щелочных металлов, трехфтористого хлора и элементарного фтора. Сильфоны служат для компенсации вибраций, теплового расширения, осевого и углового смещения элементов оборудования и трубопроводов.
| Обозначение | «С» |
|---|---|
| Профиль упругого элемента (гофры) | ![]() |
| Характеристики |
|
| Давление, МПа (кгс/см2) | 0,025...0,6 (0,25...6,0) |
| Температура среды, °С | -120...+200 |
| Размеры Dу, мм | 10...500 |
| Сферы применения |
|
Сильфоны модели «С» изготавливается методом механической обработки. Они предназначены для работы в условиях среднего давления. Главной особенностью данной модели сильфонов является S – образная форма гофр. Такая форма дает высокую устойчивость к давлению вместе с хорошим резервом продольного расширения. Геометрические показатели данной модели сильфонов позволяют компенсировать осевое и угловое смещения.
При длительном использовании повышается уровень прочности упругого элемента конструкции.
Ниже приведена таблица основных параметров, по которой вы можете сориентироваться при выборе или разработке сильфона.
Ограничения по использованию:
| Давление, МПа (кгс/см2) | 0,025...0,6 (0,25...6,0) |
| Температура среды, °С | -120...+200 |

- Число сгибов: n=(Ly-2*c)/y
- Длина установки: Ly=2*c+n*y
- Длина сжатия: Lc=2*c+n*y-y/4
- Длина растяжения: Lp=2*c+n*z
- Размеры сгиба (y=4...8): z = y +25% x = y -25%
- Размеры сгиба (y=10...16): z = y +15% x = y -15%
Для разрабоотки сильфона нам необходимо знать следующее:
- присоединительные размеры
- длина сильфона
- глухой/сквозной
- температура
- частота работы
- ход (в мм)
| Размеры сильфонов | y, мм | Стандартные размеры на фланец Ру 6 кгс/см2 | Стандартные размеры на фланец Ру 10 кгс/см2 | |||||||||||||||||
|---|---|---|---|---|---|---|---|---|---|---|---|---|---|---|---|---|---|---|---|---|
| Давление, кгс/см2 при t=20°C | ||||||||||||||||||||
| Dy | d1 | K | с | 2 | 3 | 4 | 5 | 6 | D | d2 | b | I | m | A | D | d2 | b | I | m | A |
| 10 | 20 | 20 | 7,0 | 4 | 4 | 4 | 4 | 4 | 75 | 50 | 10 | 9,0 | M8 | 4 | 90 | 60 | 10 | 9,0 | M8 | 4 |
| 15 | 25 | 25 | 7,0 | 4 | 4 | 4 | 4 | 4 | 80 | 55 | 10 | 9,0 | M8 | 4 | 95 | 65 | 10 | 9,0 | M8 | 4 |
| 20 | 35 | 35 | 9,0 | 4 | 4 | 4 | 4 | 4 | 90 | 65 | 12 | 9,0 | M8 | 4 | 105 | 75 | 12 | 9,0 | M8 | 4 |
| 25 | 40 | 40 | 9,0 | 4 | 4 | 4 | 4 | 4 | 100 | 75 | 12 | 9,0 | M8 | 4 | 115 | 85 | 12 | 9,0 | M8 | 4 |
| 32 | 56 | 56 | 10,0 | 4 | 4 | 4 | 6 | 6 | 120 | 90 | 12 | 9,0 | M8 | 4 | 140 | 100 | 12 | 11,5 | M8 | 4 |
| 40 | 64 | 64 | 10,0 | 4 | 4 | 4 | 6 | 6 | 130 | 100 | 12 | 11,5 | M10 | 4 | 150 | 110 | 12 | 11,5 | M12 | 4 |
| 50 | 74 | 74 | 10,5 | 4 | 4 | 6 | 6 | 8 | 140 | 110 | 12 | 11,5 | M10 | 4 | 165 | 125 | 12 | 11,5 | M12 | 4 |
| 65 | 89 | 89 | 10,5 | 4 | 4 | 6 | 8 | 10 | 160 | 130 | 13 | 11,5 | M10 | 4 | 185 | 145 | 13 | 11,5 | M12 | 4 |
| 80 | 110 | 120 | 13,0 | 6 | 6 | 8 | 10 | 12 | 190 | 150 | 13 | 11,5 | M10 | 4 | 200 | 160 | 13 | 11,5 | M12 | 4 |
| 100 | 130 | 140 | 13,0 | 6 | 6 | 8 | 10 | 14 | 210 | 170 | 13 | 11,5 | M10 | 4 | 220 | 180 | 13 | 11,5 | M12 | 8 |
| 125 | 155 | 165 | 13,0 | 6 | 6 | 10 | 12 | 16 | 240 | 200 | 15 | 11,5 | M10 | 8 | 250 | 210 | 15 | 11,5 | M12 | 8 |
| 150 | 180 | 190 | 13,5 | 6 | 8 | 10 | 14 | 265 | 225 | 15 | 11,5 | M10 | 8 | 285 | 240 | 15 | 14,0 | M16 | 8 | |
| 200 | 240 | 250 | 14,5 | 6 | 10 | 12 | 320 | 280 | 16 | 14,0 | M12 | 8 | 340 | 295 | 16 | 14,0 | M16 | 8 | ||
| 250 | 290 | 300 | 14,5 | 8 | 12 | 14 | 375 | 335 | 16 | 14,0 | M12 | 12 | 395 | 350 | 16 | 14,0 | M16 | 12 | ||
| 300 | 340 | 350 | 16,0 | 8 | 14 | 440 | 395 | 16 | 14,0 | M12 | 12 | 445 | 400 | 16 | 14,0 | M16 | 12 | |||
| 350 | 390 | 400 | 16,0 | 8 | 14 | 490 | 445 | 18 | 14,0 | M12 | 12 | 505 | 460 | 18 | 18,0 | M18 | 16 | |||
| 400 | 450 | 460 | 16,0 | 10 | 540 | 495 | 18 | 14,0 | M12 | 16 | 565 | 515 | 18 | 18,0 | M18 | 16 | ||||
| M18 | 20 | |||||||||||||||||||
| 600 | 620 | 700 | 16,0 | 10 | 755 | 705 | 18 | 18,0 | M12 | 20 | ||||||||||

